| 閃電俠 SPC3 三相電源防雷擊護器(ClassI+II) |
|
|
|
SPC 3緊湊型一、二級防閃電雷擊保護器符合 IEC 664/CSN 330420和IEC 61643-1:1998標準,SPC 3 可以保護電的設備避免閃電雷擊的破壞,SPC 1適用於低電壓供電系統纜線的保護或是建築物架空的纜線的保護。SPC 3工作電壓為3x400/230V/50/60Hz、最大放電電流 Imax=60、90、120、150KA(U/N)。根據IEC61643-1所規範SPC3是由第一級、第二級防閃電雷擊保護器組合而成的,SPC 3使用一個特別的變阻體,減少了去耦變壓器所佔的空間,去耦變壓器通常安裝在第一級、第二級防雷擊保護器的中間。另外SPC 3提供了特別有效的電力系統保護,可以防止橫向或是縱向的突波電流。SPC 3 U/N端子之間的變阻器符合IEC 61643-1的標準,SPC 3功能正常時,其接點 1-2 是導通的。這將提供監控人員知道保護器是否能正常運作或已遭雷擊損毀。如果保指示器會彈出。 |
|
故障指示
故障指示位於單體上之紅色信號推桿。如果此紅色信號推桿維持在嵌入的位置,表示此裝置是正常工作的。如果此紅色信號推桿已彈跳突出,則表示此裝置已遭雷擊損毀。 |
|
|
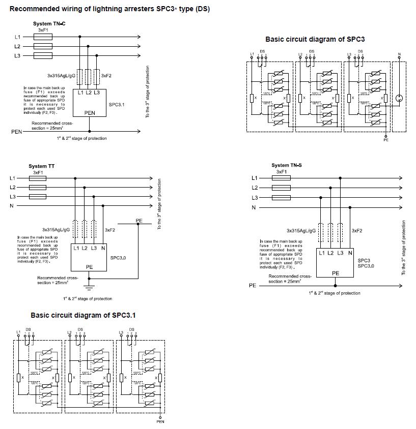
| 閃電俠 HAKEL SPC3 三相電源防閃電雷擊護器接線參考圖 |
|
|
| 閃電俠 HAKEL SPC3 三相電源防閃電雷擊護器規格 |
| 型式 功能 |
SPC3-60KA SPC3.0-60KA |
SPC3-90KA SPC3.0-90KA |
SPC3-120KA SPC3.0-120KA |
SPC3-150KA SPC3.0-150KA |
||
| 防雷等級 | I+II | |||||
| 正常工作電壓 | UN | 3 x 400 / 230V / 50/60Hz | ||||
| 最高持續性電壓 | Uc | 3 x 480 / 320V / 50/60Hz | ||||
| 最大放電電流Imax(8/20) | Imax | U/N | 60KA | 90KA | 120KA | 150KA |
| 正常放電電流In(8/20) | IN | U/N | 30KA | 50KA | 65KA | 80KA |
| 保護電壓等級(8/20) | Up | U/N | <1300V | <1400V | <1550V | <1700V |
| 閃電脈衝電流 充電 有效能量 閃電脈衝電流 充電 有效能量 |
Iimp Q W/R Iimp Q W/R |
U/N | 8KA 4AS 16KJ/Ω |
12KA 6AS 36KJ/Ω |
16KA 8AS 64KJ/Ω |
20KA 10AS 100KJ/Ω |
| N/PE |
20
kA (SPC3) or 80 kA (SPC3.0) |
|||||
| 電壓保護等級Iimp(10/350) | Up |
U/N |
<1300V | |||
| 反應時間 | tA |
U/N N/PE |
<25ns <100ns |
|||
| 備份保險絲 | Ip | 315 AgL / gG | ||||
| 瞬間短路電流 | 80 kArms | |||||
| 溫度範圍 | δ | -40℃~+80 ℃ | ||||
| 導體截面 | 25 mm2(固體的) 16 mm2 (可變動的) | |||||
| 保護型態 | IP20 | |||||
| 導線規格 | DIN rail 35 mm | |||||
| 外觀材質 | SLOVAMID 6FRC2 | |||||
| 使用年限 | 100,000 小時 | |||||
| 重量 | m | 872g | ||||
| 斷路訊號規格 |
與周圍電路耐壓值 3750Vrma |
|||||
| 閃電俠SPC3 三相電源防閃電雷擊護器規格 |
|
型式 功能 |
SPC3.1-60KA | SPC3.1-90KA | SPC3.1-120KA | SPC3.1-150KA | ||
| 防雷等級 | I + II | |||||
| 正常工作電壓 | UN | 3 x 400 / 230V / 50/60Hz | ||||
| 最高持續性電壓 | Uc | 3 x 480 / 230V / 50/60Hz | ||||
| 最大放電電流Imax(8/20) | Imax | U/PEN | 60KA | 90KA | 120KA | 150KA |
| 正常放電電流In(8/20) | IN | U/PEN | 30KA | 50KA | 65KA | 80KA |
| 保護電壓等級(8/20) | Up | U/PEN | <1300V | <1400V | <1550V | <1700V |
| 閃電脈衝電流 充電 有效能量 閃電脈衝電流 充電 有效能量 |
Iimp Q W/R Iimp Q W/R |
U/PEN | 8KA 4AS 16KJ/Ω |
12KA 6AS 36KJ/Ω |
16KA 8AS 64KJ/Ω |
20KA 10AS 100KJ/Ω |
| U/PEN |
|
|||||
| 電壓保護等級Iimp(10/350) | Up | U/PEN | <1300V | |||
| 反應時間 | tA | U/PEN | <25ns | |||
| 備份保險絲 | Ip | 315 AgL / gG | ||||
| 瞬間短路電流 | 80 kArms | |||||
| 溫度範圍 | δ | -40℃~+80 ℃ | ||||
| 導體截面 | 25 mm2(固體的) 16 mm2 (可變動的) | |||||
| 保護型態 | IP20 | |||||
| 導線規格 | DIN rail 35 mm | |||||
| 外觀材質 | SLOVAMID 6FRC2 | |||||
| 使用年限 | 100,000 小時 | |||||
| 重量 | m | 788g | ||||
| 斷路訊號規格 |
與周圍電路耐壓值 3750Vrma |
|||||
|
|